产品分类 分类>>

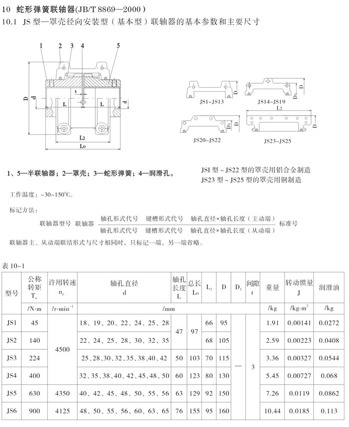
JS型罩壳径向安装型联轴器

 
产品详情
JS型罩壳径向安装型联轴器(图1)
产品名称:

JS型罩壳径向安装型联轴器

产品简介:

蛇形弹簧联轴器,是一种结构先进的金属弹性联轴器,它靠蛇形弹簧片来传递扭矩,蛇形弹簧联轴器是当今国际机械领最先进的轴联接传动部件,也是一种非常通用的轴联接传动部件蛇形弹簧联轴器.


JS型罩壳径向安装型联轴器

 

JS型罩壳径向安装型联轴器1

JS型罩壳径向安装型联轴器2